Почему на ВАЗ 2110 стеклоподъемник не работает: ремонт, замена и схема подключения блока управления

[ Скрыть]Автомобили отечественного производства ВАЗ 2110 давно завоевали симпатии наших соотечественников. Несмотря на все недостатки, которыми обладают «десятки», эти авто стали одними из самых популярных моделей российского автопрома. В автомобилях ВАЗ 2110 стеклоподъемник (СП) представляет собой один из самых ненадежных устройств, что обусловлено частыми поломками СП на практике. Подробнее о ремонте и замене СП вы можете узнать из этого материала.
Конструктивные особенности стеклопоъемников «Десятки»

Что представляет собой схема электростеклоподъемника в ВАЗ 2110, по каким причинам двигатель или блок управления СП не работает, как произвести замену и как подключить устройство? Для начала рассмотрим конструктивные особенности СП, которые могут различаться с учетом того, в каких конкретно дверях они используются.
Несмотря на эти различия, СП в большинстве своем состоят из одинаковых элементов, рассмотрим на примере электрических систем:
- Мотор редуктор или привод. С учетом электросхемы, благодаря этому устройству осуществляется подача сигнала, необходимого для поднятия стекла.
- Желобки. Эти составляющие элементы находятся на внутренней поверхности рамки двери. Основное назначение желобков заключается в удержании стекла в определенном положении и предотвращении его наклона.
- Рельсы. Рельсы применяются в качестве направляющих элементов, использующихся для перемещения стекла. Устанавливаются эти компоненты в корпусе двери.
- Поднимающий механизм с шестернями.
- Уплотнитель. Резиновый уплотнитель позволяет ограничить перемещение стекла вверх либо вниз.
- Проводка. Ее схема может отличаться в соответствии с разновидностью СП, но в любом случае, именно с помощью проводки осуществляется передача сигналов от блока управления на моторчик редуктора.
- Сам блок управления с кнопками, которые передает импульс о необходимости открытия либо закрытия стекла.

Отдельно нужно сказать о приводах — в зависимости от типа СП приводы могут быть разными:
- Устройства механического типа. Механические устройства конструктивно состоят из обычных элементов, нескольких шестеренок и рукоятки. Для того, чтобы переместить стекло в определенное положение, водителю или пассажиру придется повернуть эту рукоятку по или против часовой стрелки. На вал привода будет оказана нагрузка, что позволит приподнять либо опустить стекло.
- Также привод может быть электрическим. Электрический девайс имеет более сложное устройство, по сравнению с механическим. В конструкцию такого СП входят редуктор, барабан, модуль управления и т.д. Как сказано выше, для соединения всех компонентов применяется электроцепь, которая всегда должна быть в рабочем состоянии. Управление системой после подключения производится благодаря кнопкам на блоке.
Следует отметить, что сами по себе СП могут подразделяться и по типам самого механизма подъема. Первыми стали использоваться тросовые механизмы, но со временем из-за множественных недостатков, таких как медленная работа и низкий срок службы, им на смену пришли реечные. В отличие от тросовых, реечные работают значительно быстрее, но более громко, при этом их ресурс эксплуатации значительно выше в силу надежности конструкции (видео снял Артем Авер).
Возможные неисправности и способы их устранения
Теперь предлагаем ознакомиться с причинами основных неисправностей, которые могут произойти в работе СП. При неполадках стеклоподъемники либо вовсе откажутся работать, либо будут функционировать некорректно или шумно.
Основные причины неполадок:
- Неисправности в работе электроцепи, то есть проводки. При повреждении проводки на моторчик управления СП перестанет поступать сигнал о необходимости поднятия и опускания, соответственно, работа СП будет невозможной. Проводка может быть повреждена, в некоторых случаях причина кроется в нарушении изоляции или окислении контактов. Поврежденные участки электроцепи подлежат замене, окисленные контакты необходимо очистить или заменить.
- Неработоспособность моторчика редуктора. Поломка электродвигателя обычно происходит спустя несколько лет интенсивной эксплуатации. При выходе из строя агрегата нормальная работа СП будет невозможной, привод подлежит ремонту или замене, здесь нужно учитывать особенность поломки.
- Поломка управляющего модуля с клавишами. Если не работают сразу все электростеклоподъемники, то скорей всего причина заключается в неработоспособности блока управления. Возможно, нарушен контакт с электросетью авто или произошел выход из строя самой платы. Сама плата подлежит замене. Если же не функционирует только один или несколько подъемников, то причина может крыться в плохом контакте кнопки управления с сетью. Опять же, нужно избавиться от окисления и переподключить кнопку.
- Механический износ шестеренки. Такая неполадка обычно обусловлена длительной и интенсивной эксплуатацией СП, зубья шестеренки могут повредиться в результате износа. Ремонт нецелесообразен, шестерня подлежит замене.
- Перегорание предохранителя, отвечающего за работу СП. Предохранительный элемент может находиться в монтажном блоке со всеми остальными предохранителями и реле. Но если вы ставили СП самостоятельно, то предохранитель может располагаться рядом с аккумуляторной батареей. Вышедшее из строя устройство подлежит замене (автор видео — канал В Деревне Life).
Процесс демонтажа и замены устройства
Если вы решили произвести ремонт передних или задних СП либо их замену, то вам наверняка будет известно, как снять устройство. Процедура демонтажа и подключения нового стеклоподъемника может отличаться. Здесь все зависит от вида СП, а также конструктивных особенностей авто.
Рассмотрим процесс замены ручного СП на электрический:
- Сначала выключается зажигание и отключается автомобильный аккумулятор, это необходимо сделать для того, чтобы обесточить бортовую сеть.
- Затем производится снятие ручки управления, расположенной на двери автомобиля. Для демонтажа ручки снимите стопор, расположенный под специальной шайбой — все эти компоненты находятся на самой ручке. При помощи отвертки с плоским наконечником необходимо будет отодвинуть в сторону фиксатор и снять стопорный элемент из шлица. Эти действия позволят демонтировать ручку. Если этот элемент установлен достаточно плотно, то попробуйте поддеть его отверткой.
- После этого демонтируется ручка подлокотника. С помощью отверток отсоедините заглушки — за ними имеются винты, крепящие ручку. Выкручиваются они отверткой с крестовым лезвием. Чтобы упростить задачу, можно также снять облицовку ручки на боковом зеркале заднего обзора. Выполнив эти действия, надо будет произвести снятие обшивки двери. На этом подготовительный этап можно считать оконченным.
- Далее, чтобы установить электрически двигатель, блок управления и прочие компоненты СП, надо будет получить доступ к фиксаторам. Данные компоненты используются для крепления самого устройства со стеклом. Устройство фиксируется при помощи двух винтов, их можно открутить гаечным ключом.
- Когда эти действия будут выполнены, надо будет снять стекло либо зафиксировать его в одном положении при помощи скотча. От шлица необходимо отсоединить розетку и открутить гайки с помощью ключа, это позволит демонтировать старый механизм СП. Для установки новой системы надо будет подключить колодку с проводкой в штекер на монтажном блоке. При этом он должен быть подсоединен к обратной стороны блока с предохранителями.
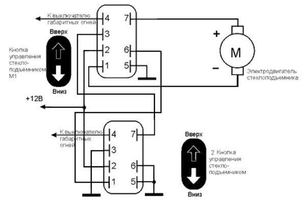
- Далее, осуществляется установка непосредственно самих девайсов с электрическим двигателем, управляющим модулем, подъемным механизмом и прочими компонентами. Для начала все составные элементы надо установить в двери автомобиля. Когда шпильки крепления в каркасе будут установлены, гайки, которые фиксируют их, надо будет полностью закрутить. При установке обязательно воспользуйтесь инструкцией, которая идет в комплекте, а также схемой подключения. Последняя потребуется для правильного подсоединения разъема с проводкой.
- Когда все элементы электрической цепи будут подключены, необходимо подсоединить клеммы аккумуляторной батареи и произвести диагностику работоспособности СП. Для этого нужно будет замкнуть контакты на проводах.
- Затем производится установка центрального модуля с кнопками. Ставить этот девайс нужно либо в двери, либо на центральной консоли, либо на тоннеле, который идет от консоли к задним сиденьям. Последний вариант более предпочтительный.
- Теперь надо опустить механизм с электрическим мотором до того момента, пока вы не увидите, что совпали крепежные отверстия обоймы с технологическими отверстиями в креплении. Эта обойма должна быть закрепления на болтах.
- Используя клавиши управления на центральном блоке вам надо будет убедиться в том, верно ли работают СП и нет ли в их работе неполадок. Если в ходе выполнения работ не было допущено ошибок и все действия выполнены верно, что стеклоподъемники будут работать корректно. При допущении ошибок вы можете столкнуться с проблемами в работоспособности. На завершающем этапе нужно будет собрать дверь и установить на место обшивку. В месте, где была расположена рукоятка для поднятия и опускания стекла, нужно будет установить заглушку.
Фотогалерея «Установка электрических СП»




Заключение
Как видите, процедура самостоятельной установки СП — довольно сложная задача, выполнить которую сможет далеко не каждый. При замене механических СП на электрические обязательно руководствуйтесь электросхемой, которая идет в комплекте. Желательно не использовать тросовые механизмы, которые доказали свою низкую эффективность, а отдать предпочтение реечным стеклоподъемникам.
Видео «Как правильно установить кнопки управления СП?»
Отдельно надо сказать об установке кнопок управления — подробная инструкция приведена в ролике ниже (видео опубликовано каналом МороЛя).
