Электросхема ВАЗ 2107 инжектор и карбюратор с описанием: неисправности электрооборудования

[ Скрыть]Электрическая схема является неотъемлемой составляющей любого автомобиля, при этом год выпуска и марка не играют роли. Эта система предназначена для объединения всех электрических устройств и оборудования в одну общую схему. Сейчас мы предлагаем вам узнать, что представляет собой электросхема ВАЗ 2107, какие элементы в нее входят и какие неисправности для нее характерны.
Признаки неисправностей
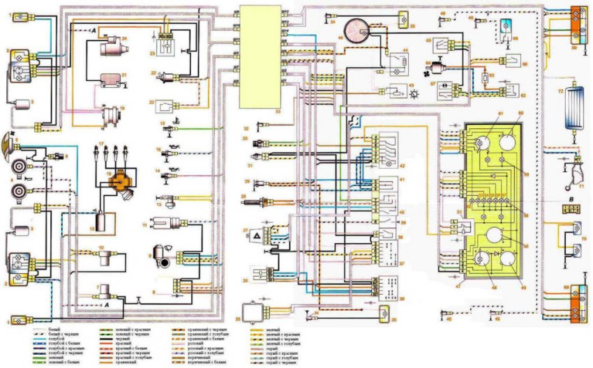
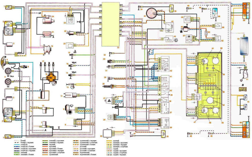
Схема оборудования «Семерки»
Для начала предлагаем ознакомиться с подробным описанием основных поломок схемы элекропроводки машины.
Рассмотрим признаки неисправности:
- Автомобиль не заводится. Схема электрооборудования ВАЗ 21074 включает в себя множество различных элементов, но если машина не заводится, то в первую очередь нужно проверять работоспособность аккумулятора, генератора и элементов системы зажигания. Если аккумулятор сел или генератор вышел из строя, то запуск двигателя будет невозможен.
- Если двигатель запускается, но с трудом, то следует проверить следующие элементы — распределитель зажигания, свечи, катушку. Вполне возможно, что причина заключается в трамблере или свечах. Что касается последних, то они могут либо отработать свой срок службы, либо один из высоковольтных проводов, подключенных к свечам, мог переломиться. Такие проблемы актуальны для двигателем с карбюратором.
- Если вы являетесь владельцем ВАЗ 2107 инжектор, то возможно, причина отказа работы двигателя заключается в выходе из строя или некорректной работе ЭСУД. Эта система предназначена для обработки импульсов, которые поступают от контроллеров и датчиков, а также передаче исполнительных команд узлам и агрегатам. Также причина может крыться в выходе из строя замка зажигания.
- Отказ работы приборной панели. В таком случае нужно проверять ее подключение к системе электропроводки ВАЗ 2107. Может быть, причина заключается в нарушении контакта или плохом соединении устройства с бортовой сетью.
- Отказывается работать группа приборов. Если все оборудование, которое не работает, включается от одного переключателя, то скорей всего, причина именно в его поломке. Нужно проверить работоспособность устройства, а также качество его подключения.
- При включении оптики свет фар начинает мигать, при нажатии на педаль газа освещенность выравнивается. Такие проблемы обусловлены некорректной работой генератора, ослаблением ремня или плохим реле напряжения (автор видео — канал Автоэлектрика ВЧ).
Если у вас на руках есть схема проводки электрики, то вы сможете без проблем найти причину и ликвидировать ее.
Карбюраторный двигатель
В автомобиле ВАЗ 2107 схема работы карбюраторного мотора выглядит следующим образом:
- При повороте ключа электросеть подает питание на стартер.
- При прокручивании стартера на катушку зажигания начинает поступать разряд. Катушка формирует низковольтные импульсы в высоковольтное напряжение, которое поступает на распределительное устройство.
- Привод распределительного устройства осуществляет вращение коленвала мотора. Происходит запуск двигателя (автор видео — канал Homa526).
Классическое зажигание
Система классического зажигания состоит из таких компонентов:
- замок;
- катушка;
- трамблер или распределитель (прерыватель);
- свечи;
- высоковольтные кабеля, передающие заряд.
Электронное зажигание
В некоторых моделях схема ВАЗ 2107 включает в себя бесконтактное зажигание. Принципиальное различие такой системы заключается в использовании электронного коммутатора, который устанавливался между прерывателем, а также катушкой.
Бесконтактная система состоит из:
- коммутаторного устройства;
- замка;
- катушки;
- распределительного узла;
- свечей и высоковольтных кабелей.
Фотогалерея «Классическая и электронная схемы»


Инжекторный двигатель
Двигатели ВАЗ 21074 инжектор отличаются от вышеописанных силовых агрегатов следующим:
- в таких система используется электрический насос, предназначенный для увеличения давления в системе, в то время как на карбюраторах ставились механические насосы;
- образование горючей смеси осуществляется в цилиндре мотора;
- для обеспечения нормального впрыска горючего используются форсунки;
- как сказано выше, в инжекторах используется ЭСУД — электронная система управления двигателем, которая и определяет время впрыска.
Если в работе той или иной системы были замечены неполадки, то в первую очередь нужно проверить состояние датчиков, обеспечивающих ее работу. К примеру, на приборной панели стрелка температуры охлаждающей жидкости перешла в красную зону, при этом сам мотор работает в нормальном режиме и не «кипит».
Для диагностики датчика нужно выполнить следующие действия:
- контроллер отключается от сети, производится его извлечение из посадочного места;
- затем датчик кладется в емкость с холодной водой и термометром (лучше всего использовать цифровой, поскольку воду нужно будет нагреть);
- с помощью тестера измеряется его сопротивление в холодной воде, показания записываются;
- вода нагревается, при повышении температуры на каждые 10 градусов производится замер сопротивления тестером;
- полученные значения нужно сравнить с таблицей, которая есть в инструкции по эксплуатации, если показания не соответствуют нормированным, датчик меняется.
Видео «Как решить проблему нестабильной работы двигателя на ВАЗ 2107?»
Как быть, если причиной нестабильной работы двигателя являются высоковольтные провода — узнайте из видео ниже (автор — канал Desla Ortosh).
