Регулировка и порядок зажигания ГАЗ-53: как выставить по меткам, видео установки привода трамблера

[ Скрыть]Система зажигания играет важную роль для ДВС. От бесперебойной работы СЗ зависит своевременность и мощность образования искры и качественное сгорание топливно-горючей смеси. Как настроить правильно порядок зажигания ГАЗ-53, как устроена сама система, какие у нее основные неисправности – говорится в данной статье.
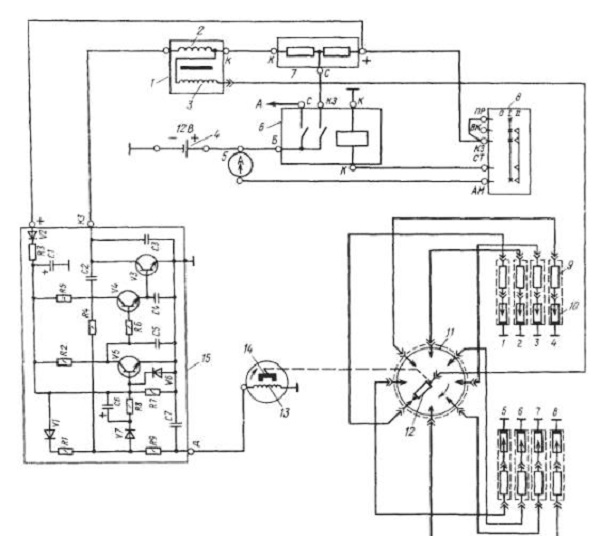
Устройство системы зажигания ГАЗ-53
Для того, чтобы ремонтировать и настраивать СЗ на ГАЗ-53, необходимо знать, как она устроена.

На данных грузовиках установлена бесконтактная СЗ, которая состоит из следующих компонент:
- источник питания – АКБ;
- коммутатор;
- провода;
- дополнительное реле;
- катушка;
- прерыватель-распределитель;
- указатель тока;
- резисторный элемент;
- замок зажигания (выключатель).
Зная устройство СЗ, схему подключения ЗЗ и других ее компонентов, а также функции, которые выполняет каждый элемент, можно по признакам определить неполадки и устранить их причину. Все компоненты СЗ можно распределить на группы по выполняемым задачам.
Для нормальной работы ДВС необходимо выполнение следующих условий:
- мощная искра;
- соответствие между образованием искры и работой силового агрегата;
- отсутствие пропусков образования искры.
Вся система электронного зажигания представляет собой две цепи: первичную и вторичную.
В первичную входят такие элементы:
- АКБ с многожильными кабелями большого сечения;
- выключатель, подающий питание в цепь;
- первичная обмотка;
- прерыватель распределитель, находящийся в трамблере;
- коммутаторное устройство, обеспечивающее стабильность работы;
- сопротивление необходимое для успешного запуска двигателя и разгрузки КЗ, исключающее ее перегрев.
Вторичная цепь включает в себя:
- распределитель;
- провода для подачи высоковольтного тока;
- свечи.
Когда первичная цепь получает питание, в прерывателе возникает магнитное поле. Вращения трамблера прерывают ток в этом месте, что приводит к исчезновению магнитного поля. В этот момент на вторичной обмотке возникает сигнал, который переходит на цилиндры.
Фотогалерея


Успешное искрообразование обеспечивается стабильной работой мотора и появлением достаточного напряжения на электродах. На мощность искры влияют размеры зазоров между электродами и величина поступающего напряжения.
При слабой искре или ее отсутствии увеличивается расход топлива, падает мощность двигателя.
Возможные неисправности СЗ: признаки и причины
Неисправности в СЗ отражаются на мощности силового агрегата, она снижается, и экономичном расходовании горючего.
Можно назвать следующие причины нестабильной работы СЗ на ГАЗ-53:
- Перегрев коммутатора или выход его из строя. Когда коммутатор перегревается, исчезает искра и двигатель не запускается. Завести двигатель становится возможным только после того, как он остынет и появится искра. Катушка также подвержена перегреву.
- Пробой в высоковольтных проводах. Это происходит, если провод держится недостаточно крепко в крышке трамблера: мотор будет работать нестабильно, с перебоями. Пробой проводов заметен в темноте — проскакивают искры голубого цвета.
- Прогорела крышка на прерывателе-распределителе. Обнаружить неисправность можно при визуальном осмотре. Возможно подгорание в месте, где установлен уголок с пружиной. Крышка должна быть без дефектов, не должна иметь выбоин, трещин.
- Могут подгореть контакты бегунка трамблера.
- Пробой свечей.
Если на вакуумном регуляторе трамблера диафрагма делает пропуски, то наблюдается падение мощности мотора. При этом если резко газовать, то силовой агрегат будет захлебывается и может перегреться. Трамблер выходит из строя редко, чаще всего причиной его поломки является износ по причине выработанного ресурса.
Инструкция по настройке зажигания
Причиной перегрева мотора и падения его мощности может быть позднее зажигание. Это может проявляться хлопками во впускном коллекторе. Поэтому нужно знать, как установить правильно зажигание (автор видео — Наиль Порошин).
Установка выполняется по меткам следующим образом:
- Сначала нужно поршень на первом цилиндре выставить в ВМТ и совместить метку указателя установки с меткой на шкиве коленчатого вала.
- Далее коленвал нужно поворачивать против движения часовой стрелки до совпадения риски 9 на указателе и метки на его шкиве.
- Затем нужно ослабить болт верхней пластины корректора, благодаря которому она крепится к прерывателю.
- Далее нужно подключить один провод контрольки к кузову авто (массе) и второй к клемме прерывателя. После включения зажигания прерыватель следует медленно поворачивать до момента, как засветится контролька. Это говорит о том, что контакты начали размыкаться.
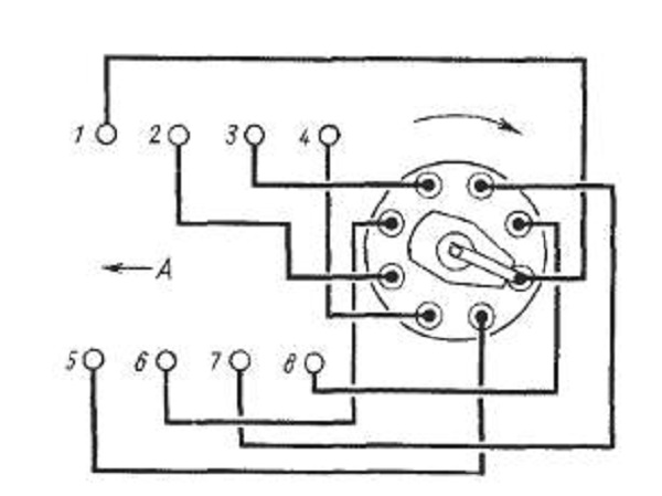
- Теперь нужно затянуть крепежный болт прерывателя и установить крышку и ротор. На участке, противоположном тому, на котором устанавливалась пластина ротора, нужно присоединить высоковольтный провод к свече на 1-м цилиндре. Оставшиеся провода присоединяются к свечам цилиндров, согласно порядка, в котором они работают: 1-5-4-2-6-3-7-8.

Выставлять момент зажигания ГАЗ-53 нужно точно, так как при отклонениях падает мощность мотора и повышается расход топлива. Кроме того, возможно прогорание клапанов, поршней, пробои в прокладке ГБЦ и другие неполадки, связанные с детонацией.
Поэтому окончательная регулировка выполняется на работающем двигателе, который прогревается до температуры ОЖ в пределах 80 — 90 градусов. При работающем на холостых оборотах двигателе нужно гаечным ключом на «10» ослабить крепеж трамблера, чтобы его можно было провернуть. Слегка провернув трамблер против хода часовой стрелки, затягиваем болт крепления.
Нажимая на газ, как работает силовой агрегат. Если слышен «звон пальцев», то есть возникает детонация, проворачиваем трамблер по часовой стрелке в обратном направлении. Путем проб и ошибок устанавливаем нужный угол опережения.
Проверка делается на движущемся транспортном средстве. При стабильной работе силового агрегата настройка больше не нужна.
Порой трамблер отодвинут в крайнее положение, а регулировки не хватило. В этом случае нужно проконтролировать положение привода трамблера относительно двигателя.
Выполняется проверка на неработающем моторе:
- Сначала выставляются метки на переднем шкиве коленвала. Они должны совпадать на 1-м и 6-м цилиндрах. Чтобы не совершить ошибку, лучше снять крышку клапанов с первых 4-х цилиндров и проверить клапана. При правильном положении меток клапана в 1-м цилиндре будут свободными.
- Сняв трамблер осматриваем, как установлен привод. Если он расположен параллельно мотору, то необходима его замена или ремонт, регулировка, в этом случае, не поможет.
- Если положение привода неправильное, нужно открутить гайку крепления и снять деталь.
- После того, как привод будет полностью установлен на свое место, нужно проверить, чтобы канавка под трамблер шла параллельно ДВС (по ходу движения машины), а небольшой участок втулки на трамблере смотрел на 4-й и 8-й цилиндры (в сторону водителя). Опытным путем нужно добиться правильного положения привода распределителя.
Заключение
Следует выполнять настройку зажигания до тех пор, пока при значительной нагрузке на силовой агрегат двигателя будет появляться лишь небольшая детонация. Если выставлено раннее зажигание, это грозит пробоем прокладки ГБЦ и прогоранием клапанов и поршней. Если искра проскакивает позже, то увеличивается расход горючего, и возможен перегрев мотора. Точная установка выполняется с помощью стробоскопа.
Видео «Настройка зажигания по лампочке»
Как выставить зажигание по лампочке, демонстрирует следующий ролик (автор видео — Наиль Порошин).
