Почему не работают дворники на автомобиле ВАЗ 2109 и как устранить неисправность?

Исправная работа стеклоочистителя очень важна во время непогоды. Он обеспечивает хорошую видимость на дороге – безопасность водителя и пассажиров. Отказ от работы дворников — распространенная неисправность на автомобилях. В статье рассматриваются ситуации, когда не работают дворники на автомобиле ВАЗ 2109, как отремонтировать стеклоочиститель.
Устройство стеклоочистителей
Основное назначение стеклоочистителя – убирать с помощью щеток и омывателя грязь, капли дождя и снег с лобового и заднего стекла во время непогоды. Если не работают дворники ВАЗ, это снижает безопасность, поэтому следует как можно быстрее ее привести в рабочее состояние.
Для того, чтобы выявить и устранить неисправности, нужно знать устройство стеклоочистителя.

Составляющие автомобильного стеклоочистителя
В его конструкцию входит:
- электрический двигатель;
- система рычагов (трапеция);
- редуктор;
- двигатель стеклоомывателя;
- бачок;
- насос омывателя;
- электромагнитный клапан омывателя;
- щетки и пружины.
Кроме того, конструкция стеклоочистителя включает различные мелкие детали.
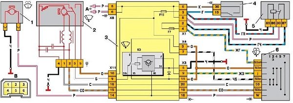
Схема очистителя стекла

Схема очистителя и омывателя стекла
Цифрами на схеме помечены следующие компоненты:
1 — электрический движок омывателя;
2 – электрический двигатель дворников;
3 — монтажный блок;
4 – выключатель зажигания;
5 – реле, разгружающее выключатель стеклоомывателя;
К3 – реле стеклоочистителя.
Очиститель стекла может работать в трех режимах. Режим «I» — прерывистый. Режим «II» — постоянный. В этом режиме щетки движутся с малой скоростью. Также постоянным режимом является режим III. Он отличается от предыдущего высокой скоростью движения щеток. Включение режима осуществляется с помощью переключателя (автор видео — Автоэлектрика ВЧ).
Распространенные неисправности
Основные признаки неисправности дворников ВАЗ 2109:
- полная остановка дворников, нет реакции на нажатие рычагов;
- щетки не работают в прерывистом режиме;
- медленно работают дворники;
- движение щеток не отвечают включенному в салоне режиму.
Наиболее распространены следующие неисправности стеклоочистителей ВАЗ 2109:
- окислились контакты;
- перегорели предохранители;
- обрыв электроцепи, повреждение проводки;
- не работает переключатель;
- дворник, работавший в одном режиме, не переключается в другой;
- не работает двигатель стеклоомывателя;
- не работает задний дворник ваз 2109;
- поломка электрического моторчика очистителя стекла.

Очиститель заднего стекла
Методы устранения поломок
Если не работают дворники на ВАЗ 2109, то обнаружить и устранить поломку можно своими руками.
Ремонт проходит поэтапно:
- сначала разбирается узел;
- затем выявляются неисправности;
- далее выполняется ремонт или замена неисправных деталей;
- на заключительном этапе выполняется сборка узла.

Демонтированный очиститель стекла
Демонтаж представляет собой следующую последовательность действий:
- В первую очередь необходимо обесточить автомобиль, сняв минусовую клемму с АКБ.
- Далее рычаги щеток устанавливаются в вертикальное положение, потом откручиваются гайки крепления. Теперь их можно снять.
- Вооружившись пассатижами, сдергиваем рычаги со шлиц, стараясь не повредить резьбу.
- Со шлиц снимаются пластиковые защитные колпачки.
- Затем нужно открутить гайки крепления кронштейна и можно снимать их вместе с шайбами, которые находятся под ними.
- Далее в моторном отсеке необходимо отсоединить колодку проводов, служащую для питания мотора стеклоочистителя.
- На следующем этапе необходимо сместить вентилятор отопителя, чтобы он не мешал вынимать механизм. Для этого откручиваем винты крепления.
- Снимаем крышку с монтажного блока и демонтируем все реле, находящиеся в нем, так как они будут мешать дальнейшей работе.
- Откручиваем нижний болт крепления кронштейна очистителя.
- Затем извлекаем через щель в кузове пластиковый держатель проводов и снимаем его, чтобы не потерять.
- Через отверстия в кузове выводим валики устройства. Затем немного приподняв и сдвинув вверх и в сторону, стеклоочиститель с двигателем, извлекаем узел.
Далее выполняется полная разборка механизма. Делается визуальный осмотр всех деталей, в том числе осматриваются дворники ВАЗ 2109. Поломанную щетку можно заменить, но лучше менять обе. Если обнаружены механические повреждения или детали сильно изношены, им необходима замена.
После того, как будут обнаружены и устранены все неисправности, осуществляем сборку узла в обратном порядке и установку его на штатное место. После ремонта необходимо выполнить подключение отрицательной клеммы на аккумуляторе и проверить работу стеклоочистителя.
Извините, в настоящее время нет доступных опросов.Таким образом выполняется ремонт, доработка очистителя стекла ВАЗ 21099 своими руками. Процесс длительный и утомительный, но вполне может быть выполнен самостоятельно. Это даст возможность сэкономить деньги на дорогостоящем ремонте в СТО.
Видео «Демонтаж моторчика и трапеции на ВАЗ 2109»
В этом видео демонстрируется, как снять моторчик дворников и трапецию (автор ролика — Perfectionist Life Craft).
