Инструкция по установке противотуманных фар на автомобиль своими руками

Одно из природных явлений, доставляющих наибольший дискомфорт автолюбителю за рулем, является туман. В этом случае единственным спасением могут стать противотуманные огни, которые позволяют лучше ориентироваться в непогоду. Ниже мы расскажем о том, как осуществляется установка своими руками противотуманных фар на любое авто.
Требования к установке ПТФ
Комплект из проводов, переключателя и реле для монтажа ПТФ
Чтобы правильно поставить противотуманки своими руками в бампер, необходимо не только заранее купить универсальный набор монтажных креплений, но и учитывать все правила установки. Разумеется, любые ПТФ должны быть монтированы правильно, с учетом всех требований и правил. Как говорится в ПДД, на одно транспортное средство в бампер можно поставить не более двух противотуманных фонарей.
Их монтаж осуществляется в соответствии с требованиями:
- ПТФ должны быть размещены на расстоянии не более 40 см от боковой части транспортного средства, которая определяется по внешней поверхности фонаря.
- Чтобы все сделать правильно, устройства необходимо установить на расстоянии не ниже 25 см от земли, то есть по нижней части фонаря.
- Световые фонари ПТФ необходимо установить ниже верхней части светопропускающего проема фонарей ближнего света.
- Что касается углов видимости, то они ни должны быть загромождены. По вертикали угол видимости должен составлять около 15 градусов, по горизонтали — в районе 45 градусов (автор видео — Romanautoreview).
Неправильно будет, если ПТФ включаются вместе с габаритами. Соответственно, при монтаже в бампер и подключении разъемов их необходимо поставить таким образом, чтобы они не были подключены к габаритами. Ни для кого не секрет, что все современные транспортные средства оснащаются специальным разъемом для монтажа ПТФ, поэтому установка противотуманных фар производится строго в них. И даже если самих фонарей нет, то должны быть соответствующие заглушки, в которые производится установка монтажных креплений и самих фонарей.
В том случае, если на вашем авто нет заглушек и посадочных мест, куда осуществляется установка противотуманных фар, то вам придется сделать эти места самому. Если это так, то при установке комплекта фар в бампер можно и даже нужно руководствоваться требованиями по монтажу и подключению, в противном случае у вас могут возникнуть проблемы при прохождении планового ТО. Только учитывая требования, вы сможете добиться того, что приборы будут эффективно использоваться на полную мощность. Что касается регулировки, то она осуществляется после установки ПТФ в бампер вместо заглушек. Как вы помните, во время монтажа необходимо продумать, как правильно сделать монтаж фонаря, чтобы его угол светового потока был правильным.
Способы подключения

Монтаж кнопки выключения ПТФ
Итак, если установка противотуманных фар осуществляется в домашних условиях, то чтобы все сделать правильно, поставить комплект в бампер вместо заглушек и подключить к проводке, можно использовать один из двух вариантов подключения. Как мы помним, ПТФ в любом случае не включаются от габаритных огней, это необходимо помнить перед установкой комплекта в бампер и подключением всех разъемов. Вариантов монтажа приборов может быть несколько. Один из самых простых в плане установки и надежности — это соединение с проводами транспортного средства, которые уже проведены и предназначены для противотуманок.
В данном случае можно все сделать проще. Заводская проводка уже оснащена всеми нужными компонентами, в частности, проводами и разъемами, которые необходимы для подключения. В проводке есть все реле и предохранители, а также выключатель, с помощью которого можно управлять устройствами. По сути, вам остается только демонтировать заглушки из бампера и установить комплект ПТФ, подключив его ко всем разъемам. Данный вариант актуален не для всех транспортных средства, а только для машин, оснащенных заглушками или автомобилей, где нужно поменять вышедшие из строя противотуманки (автор видео — Андрей Кувшинов).
Покупая комплект ПТФ необходимо удостовериться в том, что эту модель можно установить на вашу машину. Должны соответствовать не только разъемы, но и параметры установки. В том случае, если транспортное средство не оснащено проводкой для монтажа противотуманок, вам нужно будет ее провести своими силами. Чтобы схема подключения противотуманных фар была правильной, вместе с комплектом следует купить дополнительные провода, они должны быть медными и заизолированными. Кроме того, нужно также приобрести выключатель противотуманных фар, предохранитель и реле, иногда эти компоненты идут в комплекте с ПТФ.
Помните о том, что противотуманная оптика ни в коем случае не должна включаться вместе с габаритами. Стандартная проводка, а также выключатель не рассчитаны на уровень тока, которые потребляют эта оптика. Следует отметить, что электрическая цепь в любом случае должна быть оснащена предохранителем, это очень важно. Только предохранитель позволит спасти ваше транспортное средство от возгорания, если в цепи случайно произойдет замыкание. Сам предохранитель должен быть достаточно мощным — уровень мощности рассчитывается в соответствии с мощностью самой оптики.
К примеру, если оптика рассчитана на 60 ватт, то при покупке предохранителя необходимо заранее рассчитать его мощность в соответствии с формулой:
60 Вт * 2 / 12 В = 10 А
То есть само устройство должно быть выбрано с учетом небольшого запаса. Оптимальным вариантом будет покупка предохранителя номиналом в 15 ампер.
Схемы подключения

Схема подсоединения противотуманной оптики
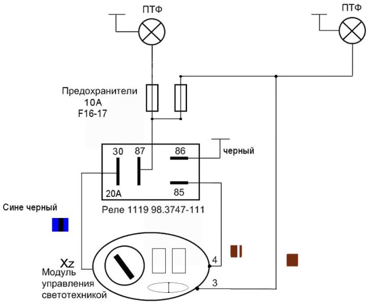
Теперь перейдем к схемам, в соответствии с которыми комплект противотуманок должен быть подключен ко всем разъемам. Один из самых простых вариантов — это подключение от аккумуляторной батареи, для этого дополнительно в цепь устанавливается кнопка включения противотуманных фар. Каждая противотуманная фара оснащается двумя контактами для питания. Один из этих контактов на обоих компонентах комплекта соединяется кабелем в одну цепь и подключается к кузову транспортного средства, то есть массе. Монтаж к массе должен быть осуществлен с помощью жесткого фиксатора или крепления.
Как известно, кузов автомобиля изначально подключается к минусу АКБ. Поэтому для того, чтобы предотвратить возможные неисправности в дальнейшем, оптимальным вариантом будет подключение провода непосредственно к минусовой клемме аккумулятора. Если в будущем на кузове или элементе крепления начнет образовываться ржавчина, это будет способствовать потере контакта и, соответственно, сигнала. Вторые контакты необходимо подсоединить к плюсу АКБ, они соединяются между собой, после чего кабель выводится на контакт под номером 87 в соответствии со схемой.
После этих действий остальные контакты реле соединяются с разъемами:
- под номером 30 — подключается к плюсовой клемме АКБ через предохранитель;
- номер 86 — к минусовой клемме АКБ либо же к кузову авто, как сказано выше;
- под номером 85 — к плюсовой клемме АКБ, для подключения дополнительно используется выключатель, а также предохранитель, применяющийся в проводке контакта под номером 30.

Схема для монтажа ПТФ
Что касается кнопки включения оптики, то она монтируется в салоне транспортного средства, там, где удобно водителю, обычно это место в районе приборной панели. Само реле следует вмонтировать на блоке предохранителей, обычно этот прибор оснащается разъемами для реле, которые можно использовать при подключении дополнительного оборудования. При необходимости можно попробовать подключиться к реле, которое уже установлено в блоке.
Можно использовать более сложную схему подсоединения к плюсовому выходу АКБ через замок зажигания. Иными словами, от кнопки включения оптики проводка укладывается и соединяется не с аккумулятором, а с любым кабелем, где есть напряжение, появляющееся в результате включения зажигания. Поскольку оптика в данном случае будет включаться только с включенным зажиганием, в будущем это позволит избежать возможной разрядки АКБ, если водитель забудет отключить противотуманки. Описанные выше схемы дадут возможность подключить оптику в соответствии с требованиями ПДД и действующего законодательства РФ, для этого регулятор включения противотуманок должен быть подключен к выключателю внешнего освещения машины.
Видео «Монтаж противотуманной оптики на Лада Гранта»
На примере Лады Гранты вы можете ознакомиться с процедурой монтажа ПТФ (автор видео — NapoziTiV).
Извините, в настоящее время нет доступных опросов.