Схема и способы подключения светодиодов для автомобиля к 12 вольтам своими руками

[ Скрыть]Светодиоды для автомобиля 12 вольт представляют собой относительно новый источник освещения, который стал использоваться повсеместно не так давно. Наши соотечественники выбирают диоды из-за их эстетической красоты, а также более высокого ресурса эксплуатации. Подробнее о том, как производится подключение диодных элементов и что нужно при этом учитывать — читайте ниже.
Что необходимо учесть автолюбителю перед заменой?
Чтобы своими руками правильно, используя схему подключения, подсоединить светодиодные лампочки, в первую очередь нужно разобраться с основной информацией. Для начала нужно понимать, что 12-вольтовый моргающий автомобильный диод — это не лампа.
Подключение светодиодов к бортовой сети на 12 вольт должно производиться с учетом некоторых моментов:
- В первую очередь, чтобы обезопасить подключение, нужно учесть напряжение, которое присутствует в автомобильной электросети. Как правило, этот параметр составляет около 12-13 вольт при отключенном двигателе и около 13-14.5 вольт при заведенном.
- В среднем один яркий и мощный диод нуждается в 3.5 вольтах питания, однако данный показатель также может варьироваться в зависимости от цвета. Например, желтый либо красный мигающий светодиод для авто будет потреблять около 2.3 вольт, а белые либо синие элементы — по 3.5 вольт в среднем.
- В отличие от стандартных лампочек накаливания, светодиодные сборки позволяют более качественно осветить поверхность вокруг, что особенно хорошо для их установки в приборные панели.
- Перед покупкой следует проверить тип линзы, установленной в лампочке. Бывают узконаправленные устройства, оснащенные небольшими по размерам линзами.
- Вне зависимости от типа, диодные элементы на двенадцать вольт имеют как положительный вывод, так и отрицательный. Положительный контакт в данном случае, это анод, а отрицательный — катод.

Светодиоды с разными цоколями
Чтобы правильно подобрать диодные элементы на 12в, нужно ориентироваться в их разновидностях, а делятся они между собой по мощности:
- Маломощные устройства не имеют системы охлаждения, поэтому их ресурс эксплуатации обычно низкий. В автомобилях таких устройства есть смысл использовать только в качестве индикаторов, к примеру, включения дневных ходовых огней или при установке контроллера разряда АКБ.
- Мощные диоды 12в имеют более высокий ресурс эксплуатации, при правильном использовании они могут проработать до 10 лет. Нужно учитывать, что такие диодные элементы не подвергаются большим нагрузкам.
- Модули. Такие устройства представляют собой стальную пластину, на которую вмонтирован целый ряд диодных элементов. Цена модуля зависит от его надежности и качества производства — чем лучше качество, тем выше цена. Модули не нужно путать с китайскими лентами, поскольку их эксплуатация возможна, разве что, для подсветки контрольного щитка или бардачка.

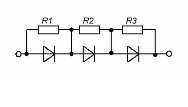
Схема подключения диода в авто
Инструкция по подключению светодиодов
Как подключить светодиод в свой автомобиль? Какое сопротивление для светодиода нужно подобрать? Нужно ли использовать резисторы?
Ниже расскажем, как должен подключаться диодный модуль:
- Процедура подключения светодиодов к 12 вольтной сети начинается с расчета питания. Основным недостатком кластеров является то, что их яркость будет зависеть от изменения количества оборотов двигателя. Если обороты падают, мощность тоже будет снижаться. Учитывайте тот факт, что наиболее оптимальным показателем для хорошего свечения кластеров является параметр 12.5 вольт напряжения — если оно будет ниже, то свечение будет слабым.
- Конструкция кластера включает в себя диодный элементы и резистор, который, кстати, является важной составляющей любого кластера. Резисторное устройство, использующееся для погашения лишнего напряжения, ставится из расчета одна штука на три диодных элемента. Так что если вы купили целую ленту для установки в оптику, то скорее всего, вам нужно будет ее обрезать. Причем обрезание должно осуществляться только на определенных отрезках.
- Процедура подключения производится последовательным образом. То есть вам нужно будет сначала сделать кластер, подключив по очередь несколько диодов друг к другу, а конца кластера соединяются с бортовой сетью. В качестве примера рассмотрим белые диодные компоненты с мощностью 3.5 вольт. Для обычной бортовой сети на 12 В вам потребуется три диодной лампочки, которые в общей сложности будут потреблять 10.5 вольт. Последовательное подключение означает, что положительный вывод одного компонента следует подключить к отрицательному выводу другого.
- Напрямую подключать кластер пока не нужно, последовательным образом соединяется сопротивление, то есть резистор. Нужно учитывать, что сопротивление должно составлять около 100-150 Ом, а параметр мощности резистора должен быть 0.5 Вт (автор видео — канал Авторемонт и тюнинг).
Параллельный способ подключения
Чтобы подключить светодиод к 12 вольтам параллельным способом, выполните следующие действия (рассмотрен пример с диодным элементом на 3.5 вольта и током 20 мА):
- Измерьте напряжение на том участке, где будет подключен источник освещения, чтобы удостовериться в том, что соединение будет эффективным. Например, это 13 вольт.
- После этого от 13 вольт отнимается 3.5 вольта диода, получается 9.5 вольт. Все замеры делаются по формуле Ома — в нашем случае 20 мА делится на 100, получается 0.02 А.
- По этой же формуле производится вычисление сопротивления, для этого 9.5 вольт нужно поделить на 0.02. В результате узнаем, что нам нужен резистор на 475 Ом.
- На следующем этапе производится вычисление мощности — это нужно знать для того, чтобы предотвратить перегрев резисторного элемента. По нашим параметрам 9.5 умножается на 0.02 — получаем 0.19 Вт. Для предотвращения возможных сбоев мощность можно взять с запасом.
- Далее, при помощи мультиметра осуществляется замер тока на участке между диодным источником освещения и резисторным элементом. После этого на тестере ставится значение 10 ампер, а положительный вывод прибора надо подключить к плюсу аккумулятора, отрицательный вывод — к плюсу лампы.
- В конечном итоге на дисплее мультиметра должен появиться показатель в районе 20 мА. В зависимости от источника освещения, а также используемого сопротивления, параметры могут отличаться.
Фотогалерея «Схемы подключения диодов»


Заключение
Что нужно учесть, чтобы система работала правильно:
- Чтобы яркость источников освещения не изменялась, можно дополнительно добавить в цепь стабилизатор.
- При подключении нужно использовать качественное сопротивление, поскольку эффективность работы подсветки зависит именно от резистора. Кроме того, если в не хотите регулярно менять диоды, то они тоже должны быть качественными.
- Если вы не уверены в том, что сможете подключить подсветку правильно, то лучше обратиться за помощью к электрику.
- Перед подключением обязательно проверьте напряжение в бортовой сети — если оно пониженное, то нужно проверять работоспособность аккумулятора и генератора.
Цена вопроса
Стоимость диодов отличается в зависимости от их типа и предназначения. К примеру, за одну лампу головного освещения автовладельцу придется выложить от 300 до 5 тысяч рублей. Обычные диоды для установки в приборную панель стоят около 75 копеек за штуку. Отрезок диодной ленты длиной 30 см будет стоить около 600 рублей.
Видео «Особенности подключения диодных ламп в авто»
Что нужно учесть и каких ошибок нельзя допустить — рекомендации от специалиста по подключению диодных источников освещения приведены на видео ниже (автор — канал Радиолюбитель).
